mid.theusmarketers.com

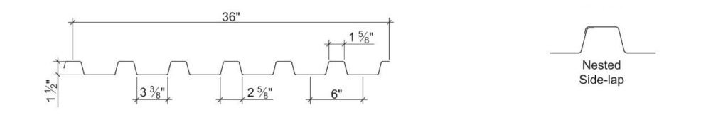
1.5″ Type B Roof Deck

Midway roll forming manufactures and stocks 1.5″ B Deck in 22, 20, 18, 16 gauge offering G60, G90 and painted finishes. All B deck is minimum standard yield strength of 30 ksi. For specific projects requiring higher ksi, please reach out to the sales team.

Description

Roof deck products act alone in transferring horizontal and vertical loads into the building frame. Roof Deck does not work compositely with other building materials.

2.0 Composite Gauges:

2.0 Composite Finishes:

Galvanized G-60 zinc coated steel is the standard in the deck industry.

Galvanized G-90 is typically specified for exterior applications or project specific needs.

PTD or primer painted is an impermanent, provisional coating and is gray on top and bottom.

B Deck Attachment Pattern:

Your project Engineer will determine your attachment requirements for your design loads, building code and project requirements. The following standard 1.5 B Deck attachment pattern has been provided as a minimum recommendation for the product specified. The attachments should be made to from deck to support, deck sidelap to deck sidelap and seck to perimeter supports.

Precision & Quality in Every Product – See Our Work